产品详情
详细信息
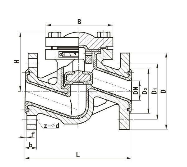
铸钢旋启式止回阀止回阀是指启闭件为圆形阀瓣并靠自身重量及介质压力产生动作来阻断介质倒流的一种阀门。属自动阀类,又称逆止阀、单向阀、回流阀或隔离阀。阀瓣运动方式分为升降式和旋启式。的详细信息
建筑给水排水及采暖工程施工质量验收规范》GB 50242-2002 《通风与空调工程施工质量验收规范》GB50243-2002 3)相关标准图 01SS105 常用小型仪表及特种阀门选用安装 |
||||||||||||||||||||||||||||||||||||||||||||||||||||||||||||||||||||||||||||||||||||||||||||||||||||||||||||||||||||||||||||||||||||||||||||||||
我要询价




























